中央空调温控器怎么选
在追求高品质生活的今天,中央空调已成为众多场所营造舒适环境的优选。而中央空调温控器作为整个系统的“智慧大脑”,其性能优劣直接影响着室内温度控制的准确度与使用体验。那么,中央空调温控器究竟该怎么选呢?艾德默阀门凭借专业实力,为您带来AWCP-07系列液晶温控器,开启智能温控新体验。

AWCP-07系列液晶温控器功能强大,用途广泛。它可用于控制二通或三通阀门、多级风速风机,能够实时显示室内实际温度与设定温度,准确控制风机盘管阀门的开启与关闭,进而实现对室内温度的灵活调节。无论是商业场所还是家居环境,它都能适配,成为连接开启/关闭暖通空调末端阀门执行器的理想之选。

这款温控器的产品特点十分突出。
① 大液晶显示屏占据面板超80%的面积,LED显示清晰直观,让您一眼就能掌握环境状态。
② EEPROM数据存储功能,确保用户设定在掉电情况下也不丢失,使用更加省心。
③ 外置传感器的设计,对简单AHU应用和酒店应用等场景带来重大改进,兼顾舒适与环保,实现节能。
④ 触屏按键操作便捷,用户可轻松设定工作模式、温度值、风速,满足个性化需求。

在产品参数方面,AWCP-07系列液晶温控器同样表现突出。它适用于暖通及制冷系统中热水、冷冻水的通断和风机盘管风机控制,电源适应范围广。显示范围和设定范围合理,外壳采用ABS+PC阻燃材质,安全可靠。控制精度高达±1℃,感温元件为NTC,自耗功率低,负载电流满足多种需求。

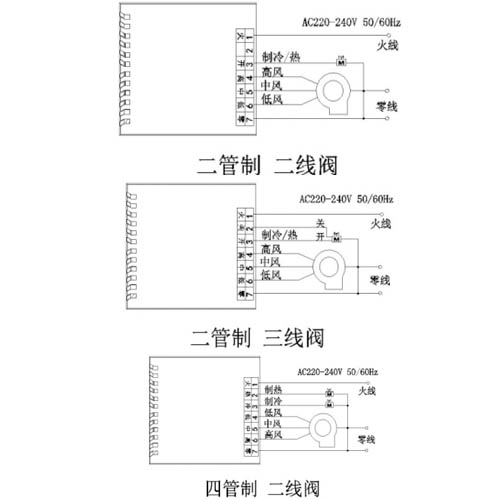
此外,产品接线灵活,支持三线制、二线制、四管制电动阀门及风机盘管。安装时,只需断开电源,按照额定电流操作,使用规格的硬线,按照安装示意图一步步操作,就能轻松完成安装。

选择艾德默阀门的AWCP-07系列液晶温控器,就是选择专业、智能与便捷。它将以优越的性能,为您打造一个温度适宜、舒适宜人的空间,让每一次呼吸都充满惬意。别再为选择中央空调温控器而烦恼,艾德默阀门就是您的理想之选!
同类文章排行
- 中央空调温控器怎么选
- 艾德默阀门厂家揭秘:中央空调电动蝶阀执行器电位器调节
- 中央空调电动蒸汽阀调试方法
- 中央空调电动蒸汽阀的安装方向
- 中央空调动态平衡电动调节阀怎么样选型
- 中央空调水系统压差控制器使用及调整方法
- 超声波能量计计算器安装
- 风机盘管温控器安装步骤和注意事项
- 风机盘管温控器安装步骤和注意事项
- 中央空调温控器上没有摆风怎么回事
最新资讯文章
- 中央空调温控器怎么选
- 艾德默阀门厂家揭秘:中央空调电动蝶阀执行器电位器调节
- 中央空调电动蒸汽阀调试方法
- 中央空调电动蒸汽阀的安装方向
- 中央空调动态平衡电动调节阀怎么样选型
- 中央空调水系统压差控制器使用及调整方法
- 超声波能量计计算器安装
- 风机盘管温控器安装步骤和注意事项
- 风机盘管温控器安装步骤和注意事项
- 中央空调温控器上没有摆风怎么回事
您的浏览历史










扫一扫
扫一扫