风机盘管温控器安装步骤和注意事项
在暖通及制冷系统中,风机盘管温控器作为调节室内温度的关键设备,其安装质量直接影响到系统的运行效果与用户的舒适度。艾德默阀门厂家推出的AWCP-07系列液晶温控器,凭借其优越的性能与便捷的操作体验,成为了众多工程项目的优选。今天,我们就来详细解析AWCP-07系列温控器的安装步骤与注意事项,助您轻松掌握安装技巧。

AWCP-07系列温控器,专为控制二通或三通阀门及多级风速风机设计,能够实时显示室内实际温度与设定温度,准确控制风机盘管阀门的开启与关闭,实现室内温度的智能调节。其大液晶显示屏,LED尺寸占据面板超80%,显示清晰直观;EEPROM数据存储功能,确保用户设定在掉电情况下不丢失;外置传感器设计,兼顾舒适与环保,实现节能;触屏按键操作,简单便捷,用户可轻松设定工作模式、温度值及风速。

安装前,请确保已准备好AWCP-07系列温控器及其配件,并熟悉产品参数,如电源要求、显示范围、设定范围等,以确保安装过程顺利进行。

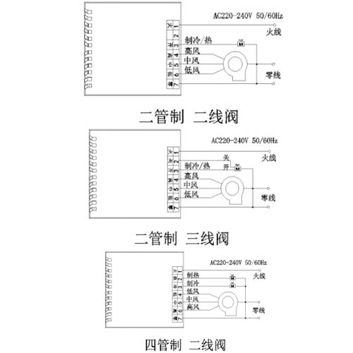
安装步骤如下:首先,使用3.5mm宽的一字改锥,沿斜面伸入卡槽4mm深处,轻轻撬起,打开卡钩,拆开主控板;接着,小心取下排线,注意不要损坏线头;然后,根据接线图,正确连接三线制、二线制或四管制电动阀门及风机盘管,确保接线牢固无松动;之后,使用包装盒中提供的两个螺钉,将接好线的温控器底板固定在预定位置的墙上,确保底板水平且稳固;最后,将温控器上壳以30度角挂上底板上的两个挂钩,稍用力按温控器下面的两角处,直至卡住上壳,至此,安装完毕。

安装过程中,请注意安全用电,避免触电风险;接线时,务必按照接线图进行,防止接错线导致设备损坏或运行异常;安装完成后,进行功能测试,确保温控器能正常显示温度、调节风速及控制阀门开关。

艾德默阀门厂家始终致力于为用户提供高品质的产品与专业的服务。选择AWCP-07系列液晶温控器,让您的暖通及制冷系统更加智能、节能。如有任何疑问或需求,请随时联系我们,艾德默将竭诚为您解答。
同类文章排行
- 风机盘管温控器安装步骤和注意事项
- 风机盘管温控器安装步骤和注意事项
- 中央空调温控器上没有摆风怎么回事
- 艾德默为您详解:动态压差平衡阀和静态平衡阀选型方法
- 动态压差平衡阀的维护与保养要点
- 中央空调水系统电动座阀应安装在板换进水口还是出水口
- 中央空调电动座阀和电动蒸汽阀的安装要求
- 中央空调管道用的电动二通阀与动态压差平衡电动二通阀的安装需要注意事项有哪些
- 风机盘管中电动二通阀可以调节水量吗
- 风机盘管中电动二通阀可以调节水量吗
最新资讯文章
- 风机盘管温控器安装步骤和注意事项
- 风机盘管温控器安装步骤和注意事项
- 中央空调温控器上没有摆风怎么回事
- 艾德默为您详解:动态压差平衡阀和静态平衡阀选型方法
- 动态压差平衡阀的维护与保养要点
- 中央空调水系统电动座阀应安装在板换进水口还是出水口
- 艾德默阀门受邀参加2025年湖南省制冷空调学术年会,产品创新广获赞誉
- 中央空调电动座阀和电动蒸汽阀的安装要求
- 中央空调管道用的电动二通阀与动态压差平衡电动二通阀的安装需要注意事项有哪些
- 中央空调电动二通阀故障处理方法
您的浏览历史










扫一扫
扫一扫